Philips HF-R 158 TL-D EII 220-240V for 1x58W
- Spedizioni gratuite da 200 € IVA incl.Spedizioni gratuite da 164 € IVA esclusa
- Cliente commerciale? Acquisto su conto corrente
- Reso entro 14 giorni
Scheda tecnica
|
i
La quantità raccomandata si riferisce al numero di prodotti preconfezionati dal produttore. Quando si acquista questa quantità, consegniamo i prodotti nella confezione originale del produttore.
|
Quantità confezione bulk | 12 |
|---|
| SKU | 180445 | |
|---|---|---|
| EAN | 8711500910172 | |
| Marca | Philips | |
| Nome del fabbricante | HF-R 158 TL-D EII 220-240V 50/60Hz | |
|
i
La nostra garanzia totale è inclusa nel prezzo del prodotto e copre sia i difetti nascosti che i difetti tecnici del prodotto che si sono verificati prima della consegna. Il periodo di garanzia varia a seconda del prodotto e va da 1 anno a un massimo di 7 anni.
|
Garanzia Totale di Lampadadiretta | 1 anno |
|
i
La tecnologia indica il modo in cui una fonte di luce funziona. L'esempio più conosciuto ed efficiente dal punto di vista energetico è il LED. Altre tecniche includono l'alogeno, la scarica di gas e il fluorescente.
|
Tecnologia | Accessorio |
|---|---|---|
|
i
Il wattaggio indica quanta energia consuma una fonte di luce. Con l'illuminazione a LED il wattaggio è notevolmente più basso rispetto all'illuminazione convenzionale. Gli apparecchi LED con un wattaggio più alto hanno generalmente anche una maggiore intensità luminosa (numero di lumen).
|
Potenza Lampada | 0 |
|
i
Un ballast (reattore) può essere visto come un regolatore di energia che accende l'apparecchio luminoso. C'è uno starter nell'apparecchio? Allora ci sarà anche un ballast convenzionale (EM). Gli apparecchi con un ballast elettronico (HF) non hanno uno starter. Si può paragonare un driver LED a un reattore elettronico, ma funziona solo con l'illuminazione a LED.
|
Trasformatore | Elettronico (HF) senza avviatore |
| Ballast per lampade | TL-D | |
| Vita Media Utile (ora) | 0 | |
| Potenza Lampada | 58 | |
| Utilizzabile con lampade | TL-D | |
|
i
Con gli apparecchi dimmerabili si può rregolare l'intensità luminosa. Quando si abbassa la potenza della luce si consuma meno energia elettrica e si risparmia quindi sui costi energetici. Le lampade dimmerabili possono anche essere usate per creare un'atmosfera molto accogliente. Tieni presente che hai bisogno di un dimmer LED per regolare apparecchi LED.
|
Dimmerabile | Sì, dimmerabile 1-10v |
| Connessione Infisso | Wago 251 | |
| Numero di lampadine | 1 | |
| Tipo di Prodotto | Accessory - Fluorescent Ballast |
| EOC8 | 91017230 | |
|---|---|---|
| Product Serie | HF-Regulator |
|
i
L'illuminazione con sensore si accende solo quando riceve un segnale specifico. Ciò riduce i costi energetici. I sensori (integrati) reagiscono al buio (interruttore crepuscolare) e/o al movimento (sensore di movimento).
|
Tipo di sensore | Nessun sensore |
|---|
Descrizione Philips HF-R 158 TL-D EII 220-240V for 1x58W
Scontato Philips HF-R 158 TL-D EII 220-240V 50/60Hz! Spedizione veloce. Qualità Philips con sconti importanti per l'acquisto di grandi quantità ! Non esitare a contattarci!
Philips HF-R 158 TL-D EII 220-240V 50/60Hz Caratteristiche
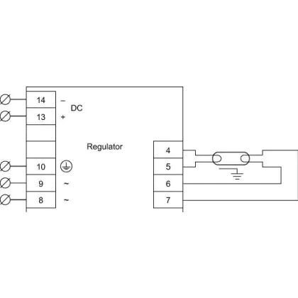
Il Philips HF-Regulator TL-D é chiamato 'regulator' perché il reattore é dimmerabile, ció significa che é possibile regolare la quantità di luce delle fonti luminose a cui é collegato.
Il Philips HF-R 158 TL-D EII 220-240V 50/60Hz puó ospitare TL-D.
TL-D 58W puó essere facilmente collegato al Philips HF-R 158 TL-D EII 220-240V 50/60Hz.
questo prodotto é in metallo.
Utilizzare il Philips HF-R 158 TL-D EII 220-240V 50/60Hz
Il Philips HF-R 158 TL-D EII 220-240V 50/60Hz utilizzato assieme al regolatore di luminosità , aiuta a creare un'atmosfera accogliente e viene impiegato in sistemi di illuminazioni generici. É possibile regolarlo manualmente e/o regolarlo in funzione della luce diurna o dei movimenti.